



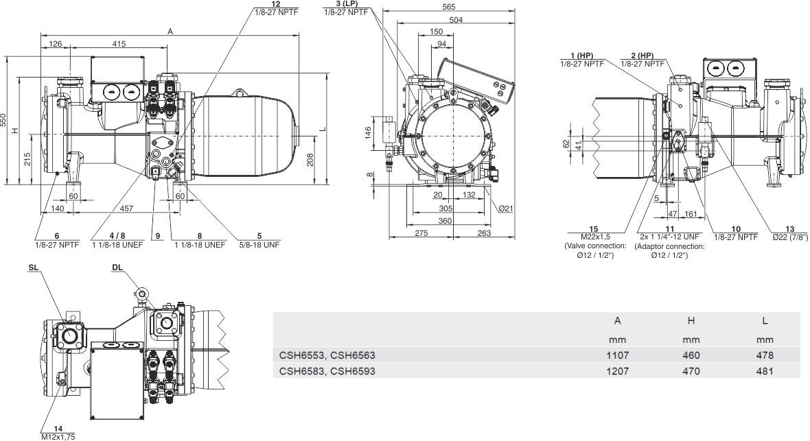
Компрессор винтовой CSH6563-40
Технические данные: Рабочий объём (2900 об/мин, 50 Гц): 170 м³/ч; Рабочий объём (3500 об/мин, 60 Гц): 205 м³/ч; Вес: 317 кг; Максимальное давление (LP/HP): 19 / 28 бар; Тип масла R1234yf/R1234ze(E)/R450A/R513A/R515B: BSE170 (стандартный); Тип масла: R134a/R407C/R404A/R507A/R407A/R407F: BSE170 (стандартный). Данные двигателя: Версия двигателя: 2; Напряжение двигателя (подробнее по запросу): 380–415 В, ПВ-3, 50 Гц; Максимальный рабочий ток: 66,0 А; Коэф. намотки: 50/50; Пусковой ток (при заблокированном роторе): 182,0 A D / 338,0 A DD; Максимальная потребляемая мощность: 41,0 кВт; Класс корпуса: IP54; Масляный нагреватель: 200 Вт (стандарт); Маслоотделитель: Стандартный; Масляный фильтр: Стандартный; Контроль мощности — 4 этапа: 100-75-50-25 % (стандарт); Встроенный обратный клапан: Стандартный; Защита двигателя: SE-E1 (стандартный), SE-E3 (стандартный для 660–690 В); Заправка маслом: 8,5 дм³. Доступные опции: Переключатель уровня масла: мин / макс OLC-D1-S (опция); Запорный клапан: Вариант; Всасывающий запорный клапан: Вариант; Защита двигателя: SE-i1 (200–690 В).
