



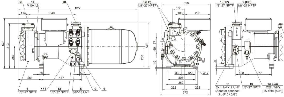
Компрессор винтовой CSH7581-80
Технические данные: Рабочий объём (2900 об/мин, 50 Гц): 295 м³/ч; Рабочий объём (3500 об/мин, 60 Гц): 356 м³/ч; Вес: 525 кг.; Макс. давление (LP/HP): 19 / 28 бар; Тип масла: R134a/R407C/R404A/R507A/R407A/R407F: BSE170 (стандартный). Данные двигателя: Версия двигателя: 2; Напряжение на двигателе (подробнее по запросу): 380–415 В, ПВ-3, 50 Гц; Максимальный рабочий ток: 144,0 А; Коэф. намотки: 50/50; Пусковой ток (при заблокированном роторе): 350,0 A D / 585,0 A DD; Максимальная потребляемая мощность: 88,0 кВт; Класс корпуса: IP54; Масляный нагреватель: 200 Вт (стандарт); Масляный фильтр: Стандартный; Маслоотделитель: Стандартный; Контроль мощности — 4 этапа: 100-75-50-25 % (стандарт); Встроенный обратный клапан: Стандартный; Защита двигателя: SE-E1 (стандартный), INT69VSY-II (стандартный для 660–690 В); Заправка маслом: 15,0 дм³; Переключатель уровня масла: Вариант; Запорный клапан: Вариант; Всасывающий запорный клапан: Вариант.
