



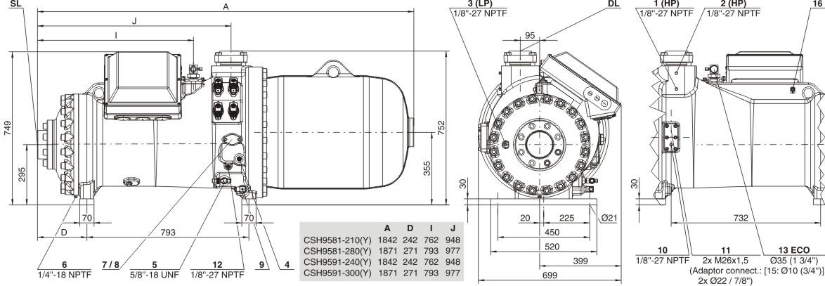
Компрессор винтовой CSH9581-210
Технические данные: Рабочий объём (2900 об/мин, 50 Гц): 805 м³/ч; Рабочий объём (3500 об/мин, 60 Гц): 972 м³/ч; Вес: 1340 кг; Макс. давление (LP/HP): 19 / 28 бар; Тип масла: R134a/R407C/R404A/R507A/R407A/R407F: BSE170 (стандартный). Данные двигателя: Версия двигателя: 2; Напряжение двигателя (подробнее по запросу): 380–415 В, D-3, 50 Гц; Максимальный рабочий ток: 320,0 А; Пусковой ток (при заблокированном роторе): 586,0 A Y / 1853,0 A D; Максимальная потребляемая мощность: 204,0 кВт; Масляный нагреватель: 300 Вт (стандарт); Маслоотделитель: Стандартный; Масляный фильтр: Стандартный; Контроль мощности — 4 этапа: 100-75-50-25 % (стандарт); Встроенный обратный клапан: Стандартный; Защита двигателя: SE-E1 (стандартный), INT69VSY-II (стандартный для 660–690 В); Заправка маслом: 35,0 дм³; Запорный клапан: Вариант; Всасывающий запорный клапан: Вариант.
